LKLZ氮氣流量計概述:
1、LKLZ氮氣流量計采用可變面積式測量原理,流量計全金屬結構,內部襯四氟材料,適用于腐蝕性氣體,有指示型、電遠傳型、耐腐型、高壓型、夾套型、防爆型。具有0-10mA,4-20mA的標準模擬量信號輸出和現場指示。累積,數字通訊,現場修改測量參數,不同的供電方式功能,帶有磁性過濾器和特殊規格品種。廣泛應用于,石油、化工、發電、制藥、食品、水處理等。復雜,惡劣環境條件,及各種介質條件的流量測量過程中。
2、氮氣流量計是工業自動化過程控制中常用的一種變面積流量測量儀表。它具有體積小,檢測范圍大,使用方便等特點。它可用來測量腐蝕性氣體的流量,特別適宜低流速小流量的介質流量測量。
LKLZ氮氣流量計測量部分特點:
1、堅固的全金屬結構設計型浮子流量計
2、采用獨立概念設計的測量管指示器
3、可選擇不銹鋼、哈氏合金、鈦材、PTFE材料測量系統
4、低壓力損失設計
5、短行程、小型結構設計、儀表總高度250
6、磁性耦合結構確保數據傳輸、信號更加穩定
7、保溫或伴熱夾套
8、垂直、水平、各種安裝方式更適合不同使用場合
9、適用于小口徑和低流速介質流量測量
10、工作可靠,維護量小,壽命長
11、對于直管段要求不高
12、較寬的流量比10:1
13、雙行大液晶顯示,可選現場瞬時/累計流量顯示,可帶背光
14、單軸靈敏指示
15、非接觸磁耦合傳動
16、全金屬結構,適于高溫、高壓和強腐蝕性介質
17、可用于易燃、易爆危險場合
18、選二線制、電池、交流供電方式
19、多參數標定功能
20、帶有數據恢復,數據備份及掉電保護功能
LKLZ氮氣流量計主要技術參數:
◇測量范圍:水(20℃)1-200000 l/h
空氣(20℃,0.1013MPa)0.03-4000m3/h;參見流量表,特殊流量可訂制
◇量 程 比:標準型10:1
◇精 度:標準型1.0級;特殊型0.5級
◇壓力等級:標準型:DN15-DN50 4.0MPa DN80-DN200 1.6MPa
特殊型:DN15-DN50 25MPa DN80-DN200 16MPa
夾套的壓力等級為1.6MPa;特殊型在選型和訂貨前應與工廠協商
◇壓力損失:7kPa-70kP
◇介質溫度:標準型:-80℃-+200℃:PTFE:0℃-85度
高溫型:最高可達300℃
◇介質粘度:DN15:η<5mPa.s(F15.1-F15.3)/η<30mPa.s(F15.4-F15.8)
DN25:η<250mPFa.s
DN50-DN150:η<300mPa.s
◇環境溫度:指針型-40℃-+120℃
◇連接形式:標準型:DIN2501標準法蘭
特殊型:由用戶指定的任意標準法蘭或螺紋
◇電纜接口:M20*1.5
◇供電電源:標準型:24VDC二線制4-20mA(10.8VDC-36VDC)
◇報警輸出:上限或下限瞬時流量報警,集電極開路輸出(最大100mA@30VDC內部阻抗100歐)
繼電器輸出(觸點容量1A@30VDC或0.25A@250VAC或0.5A@125VAC)
◇脈沖輸出:累積脈沖輸出,最小間隔50毫秒
◇液晶顯示:瞬時流量顯示數值范圍:0-50000
累計流量顯示數值范圍:0-99999999(可帶小數點)
◇防護等級:IP65
◇防爆標志:本安型iaⅡCT5;隔爆型dⅡBT6
◇LKLZ氮氣流量計測量范圍
耐腐型通徑 DN(mm) |
普通型通徑 DN(mm) |
流 量 范 圍 |
最大壓力損失 |
||
空氣m3/h 20℃ 0.101325 MPa |
水L/h 20℃ |
空氣(kPa) |
水(kPa) |
||
15 |
15 |
0.07~0.7 |
2.5~25 |
7.1 |
6.5 |
0.11~1.1 |
4.0~40 |
7.2 |
6.5 |
||
0.18~1.8 |
6.0~60 |
7.3 |
6.6 |
||
0.28~2.8 |
10~100 |
7.5 |
6.6 |
||
0.40~4.0 |
16~160 |
8.0 |
6.8 |
||
0.70~7.0 |
25~250 |
10.8 |
7.2 |
||
1.00~10 |
40~400 |
10 |
8.6 |
||
25 |
1.60~16 |
60~600 |
14 |
11.1 |
|
25 |
3.00~30 |
100~1000 |
7.7 |
7 |
|
4.50~45 |
160~1600 |
8.8 |
8 |
||
7.00~70 |
250~2500 |
12 |
10.8 |
||
50 |
11~110 |
400~4000 |
19 |
15.8 |
|
50 |
18~180 |
600~6000 |
8.6 |
8.1 |
|
25~250 |
1000~10000 |
10.4 |
11 |
||
80 |
40~400 |
1600~16000 |
15.6 |
17 |
|
80 |
75~750 |
2500~25000 |
|
8.1 |
|
100 |
100~1000 |
4000~40000 |
|
9.5 |
|
100 |
150~1500 |
6000~60000 |
|
10 |
|
150 |
125 |
|
8000~80000 |
|
|
|
|
100000~1000000 |
|
|
|
|
150 |
|
15000~150000 |
體積流量Q的基本方程式為:
式中α 儀表的流量系數,因浮子形狀而異;
ε 被測流體為氣體時氣體膨脹系數,通常由于此系數校正量很小而被忽略,且通過校驗已將它包括在流量系數內,如為液體則ε= 1
△F 流通環形面積,m2 ;
g 當地重力加速度,m/s2;
Vf 浮子體積,如有延伸體亦應包括,m3;
ρf 浮子材料密度,kg/m3;
ρ 被測流體密度,如為氣體是在浮子上游橫截面上的密度,kg/m3;
Ff 浮子工作直徑(最大直徑)處的橫截面,m2;
Gf 浮子重量,kg。
流通環形面積與浮子高度之間的關系如式(3)所示,當結構設計已定,則d、β為常量。
式中有h的二次項,一般不能忽略此非線性關系,只有在圓錐角很小時,才可視為近似線性。
式中d 浮子最大直徑(即工作直徑),m;
h 浮子從錐管內徑等于從浮子最大直徑處上升高度,m;
β 錐管的圓錐角;
a、b 為常數
從(1),(2),(3)公式可知,在一定的條件下,浮子在錐管內的高度與體積流量有一定的比例對應關系。讀出浮子的高度,就可以知道相對應的體積流量,再通過轉換器,將浮子的高度轉換成所對應的體積流量所對應的刻度,這就是金屬管浮子流量計的檢測原理。
轉換指示器
轉換器實際上是將錐管內浮子的高度轉換成所對應的體積流量的刻度。從輸出信號來分:有就地顯
示型和遠傳信號輸出型:
就地顯示型:由就地指示器中的隨動磁鋼與浮子內磁鋼耦合,而發生轉動,同時電動指針通過刻度盤指示出此時流量
智能遠傳型,由智能型指示器中的隨動磁鋼與浮子內磁鋼耦合,而發生轉動,同時帶動傳感磁鋼及指針,通過一個磁傳感器將磁場變化轉化成電信號,經A/D轉換,數字濾波,微處理器處理,D/A輸出,LCD液晶顯示,來顯示出瞬時流量及累積流量大小。(如下圖所示)
式中α 儀表的流量系數,因浮子形狀而異;
ε 被測流體為氣體時氣體膨脹系數,通常由于此系數校正量很小而被忽略,且通過校驗已將它包括在流量系數內,如為液體則ε= 1
△F 流通環形面積,m2 ;
g 當地重力加速度,m/s2;
Vf 浮子體積,如有延伸體亦應包括,m3;
ρf 浮子材料密度,kg/m3;
ρ 被測流體密度,如為氣體是在浮子上游橫截面上的密度,kg/m3;
Ff 浮子工作直徑(最大直徑)處的橫截面,m2;
Gf 浮子重量,kg。
流通環形面積與浮子高度之間的關系如式(3)所示,當結構設計已定,則d、β為常量。
式中有h的二次項,一般不能忽略此非線性關系,只有在圓錐角很小時,才可視為近似線性。
式中d 浮子最大直徑(即工作直徑),m;
h 浮子從錐管內徑等于從浮子最大直徑處上升高度,m;
β 錐管的圓錐角;
a、b 為常數
從(1),(2),(3)公式可知,在一定的條件下,浮子在錐管內的高度與體積流量有一定的比例對應關系。讀出浮子的高度,就可以知道相對應的體積流量,再通過轉換器,將浮子的高度轉換成所對應的體積流量所對應的刻度,這就是金屬管浮子流量計的檢測原理。
轉換指示器
轉換器實際上是將錐管內浮子的高度轉換成所對應的體積流量的刻度。從輸出信號來分:有就地顯
示型和遠傳信號輸出型:
就地顯示型:由就地指示器中的隨動磁鋼與浮子內磁鋼耦合,而發生轉動,同時電動指針通過刻度盤指示出此時流量
智能遠傳型,由智能型指示器中的隨動磁鋼與浮子內磁鋼耦合,而發生轉動,同時帶動傳感磁鋼及指針,通過一個磁傳感器將磁場變化轉化成電信號,經A/D轉換,數字濾波,微處理器處理,D/A輸出,LCD液晶顯示,來顯示出瞬時流量及累積流量大小。(如下圖所示)
氯氣流量計的口徑、浮子號及刻度的計算
1、計算方法
(1) 根據用戶給出的數據,選擇適當的公式計算相應標校介質的流量Qs:
其中:Qs-標校介質(水或空氣)在標準狀態下(20℃,0.1013Mpa)的流量
Q-用戶介質流量 K-修正系數
(2)根據計算得到的 Qs值,查流量表來確定選用的浮子號及測量管的口徑(流量表中的數值都是水或空氣在標準狀態下的流量值)
(3)確定測量管口徑和浮子號后,建議用下式確定被測介質流量刻度的上限值Q:
其中:Qi查流量表中選取某一浮子號對應的水或空氣流量的最大值。
(4)由于計算中沒有考慮粘度的修正,有可能與工廠計算的結果產生差異。
2、修正系數K的確定
(1)對于液體介質
a、如果Q是液體體積流量則用下式計算K:
b、如果Q是液體質量流量則用下式計算K:
其中:ρf:所選浮子密度(g/cm3)
不銹鋼浮子密度為7.8
聚四氟乙烯浮子(PTFE)密度為3.4
鎳基合金(Hastelloy)密度為8.3
ρ:被測介質的密度
(2)對于氣體體介質
a、如果Q是標準狀態下(20℃,0.1013Mpa)氣體的體積流量,則用下式計算K:
b、如果Q是操作狀態下氣體的體積流量,則用下式計算K:
c、如果Q是氣體的質量流量,則用下式計算K:
在以上各式中:
ρ: 被測介質的密度:被測氣體介質在20℃,0.1013MPa狀態下密度(kg/m3)
P:被測氣體介質的絕對壓力(MPa)
T:被測氣體介質的絕對溫度(K)
ρ0:空氣在20℃,0.1013MPa情況下密度(1.205kg/m3)
P 0:標校介質的絕對壓力(0.1013MPa)
T 0:標校介質的絕對溫度(293.15K)
d、輔助密度換算公式
其中:ρst: 被測氣體介質在標準狀態下密度(Kg/m3)
ρt: 被測氣體介質在操作狀態下密度(Kg/m3)
Tt: 被測氣體介質在操作狀態下絕對溫度(K)
Pt:被測氣體介質在操作狀態下絕對壓力(MPa)
p0:被測氣體介質在標準狀態下絕對壓力(MPa)
T0:被測氣體介質在操作狀態下絕對溫度(K)
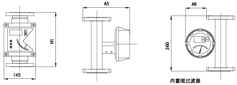
HNLZ氮氣流量計的結構
1、高溫型結構(G型)
高溫結構型(G型)是用于介質溫度過高或過低而需要對測量管采取保溫隔熱措施的介質的流量測量。高溫型結構是加大了測量管與指示器之間的距離來增加散熱、增加隔熱材料厚度,保證指示器工作在允許的環境溫度范圍內。選型為"G"型。
G型金屬管浮子流量計可以測量溫度達-80℃-+300℃的介質的流量。
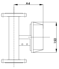
2、帶阻尼器裝置的結構(Z型)
阻尼器結構型用于流量計入口流量(壓力)不穩定時的介質流量測量,特別是對于氣體的測量。它的結構如圖所示.
3、夾套型結構(T型)
夾套型結構用于對需要伴熱或冷卻(如高粘度和易結晶)的介質的流量測量。在夾套中通過加熱或冷卻介質,使低沸點、低凝固點流體不汽化和不結晶。
伴熱介質的導入和導出連接,標準型要用HG20594-97 DN15 PN1.6法蘭,其它的法蘭規格連接可與生產廠標明,夾套的壓力等級為1.6MPa.
夾套型流量計結構見FA標準型流量計法蘭、外形尺寸圖。
4、高壓型結構(Y型)
高壓型結構用于被測介質壓力大于標準的壓力等級的流量測量。高壓型結構如下圖所示。目前FFM64系列的最高壓力可以達到32MPa。另外高壓型流量計可提供內置磁過濾器型,安裝高度均為350mm。FA、FB和FC型最大壓力為10MPa.
高壓型外形尺寸及重量
注:1、G為儀表重量(kg) *特殊規格可以訂做
氮氣流量計的安裝注意事項
為了能讓氮氣流量計正常工作且能達到一定的測量精度,在安裝流量計時要注意以下幾點:
1、金屬管浮子流量計必須垂直安裝在無振動的管道上。流體自下而上流過流量計,且垂直度優于2°,水平安裝時水平夾角優于2°;
2、為了方便檢修和更換流量計、清洗測量管道,安裝在工藝管線上的金屬管浮子流量計應加裝旁路管道和旁路閥;
3、金屬管浮子流量計入口處應有5倍管徑以上長度的直管段,出口應有250mm直管段;
4、如果介質中含有鐵磁性物質,應安裝磁過濾器;如果介質中含有固體雜質,應考慮在閥門和直管段之間加裝過濾器;
5、當用于氣體測量時,應保證管道壓力不小于5倍流量計的壓力損失,以使浮子穩定工作;
6、為了避免由于管道引起的流量計變形,工藝管線的法蘭必須與流量計的法蘭同軸并且相互平行,管道支撐以避免管道振動和減小流量計的軸向負荷,測量系統中控制閥應安裝在流量計的下游:
7、測量氣體時,如果氣體在流量計的出口直接排放大氣,則應在儀表的出口安裝閥門,否則將會在浮子處產生氣壓降而引起數據失真。
8、安裝PTFE襯里的儀表時,法蘭螺母不要隨意不對稱擰得過緊,以免引起PTEF襯里變形;
9、帶有液晶顯示的儀表,要盡量避免陽光直射顯示器,以免降低液晶使用壽命;帶有鋰電池供電的儀表,要盡量避免陽光直射、高溫環境(≥65℃)以免降低鋰電池的容量和壽命。
前一個產品:智能流量定量控制系統
下一個產品:一氧化碳、二氧化碳流量計
版權所有 Copyright(©)2009-2011 江蘇力科儀表有限公司
電話號碼:0517-86909222 商務熱線:15305232668 傳真:0517-86909221
地址:江蘇省金湖縣工業園
技術支持:易品網站建設專家 蘇ICP備13047422號-2